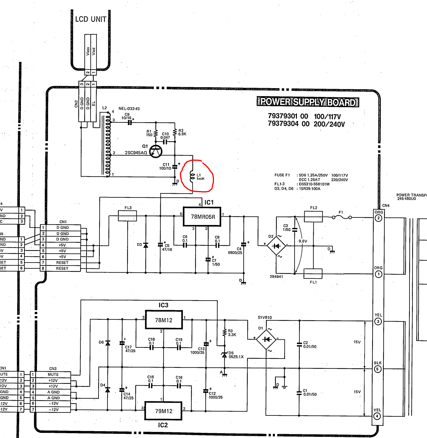
Remove L1 on PSU Board Published January 6, 2022 at 1421 × 1456 in Roland D50 & D550 OLED Display ← Previous Like Loading...